Skip to main content
Skip table of contents

1. How to start modeling sheet metal

Exercise 1:How to start modeling sheet metal 

Version compatibility

This exercise was carried out with version 27.0 (Vertex 2021).

Table of Contents




General

The modeling of the sheet metal part can be started in the following ways. (The first two methods are shown on this page)

  • Model an ordinary part and convert it into a sheet metal part.
  • Sketch a shape that can be extruded into a sheet metal part.
  • Model the shape of the outer or inner surface of the sheet metal part and make the sheet metal part with the Tangential Offset function. Presented in the exercise: 3. Diagonal Box.
  • In the assembly, the shape of the surface of the second part is copied into the shape of the sheet metal part. Presented in the exercise: 8. Swivel Duct.




Model the plain part and turn it into a sheet metal part


Main stages

  • Create a new part.
  • Go to sketch mode.
  • Sketch a closed polyline.
  • Operation: Boss > Extrude.
  • Use the Properties function to change the part to sheet metal part.

Sketch a line or chain of lines and extrude it into a sheet metal part


Main stages

  • Create a new part.
  • Go to sketch mode.
  • Sketch a closed or open polyline or segment line.
  • Operation: Thin feature.




Exercise 1a and 1b: Rectangular sheet metal plate

  • Create a 300 * 200 * 2mm sheet metal part in either way. The left (1a) shows the steps of sketching a part whose type is changed to sheet metal and the right (1b) shows the way in which the first sketch is extruded to a sheet.




1a, Sketch a rectangle and extrude the plate 

  • File > New > Part (Enter ID and archive information and create a new project or select an existing project).
  • New Sketch > To horizontal (XY) plane.


Sketch the shape

Preferably sketch the shape symmetrically around a central mark (e.g. with a two-point rectangle)


  • Function: Two point rectange.
  • First, click to the origo (in the middle of the center mark).
  • Then enter the dimensions 150,100.
  • If you want to use a dimension table to vary the part, edit the dimensions and enter the variable names (eg LENGTH and WIDTH) in the formula field.
  • (from sketch to operation selection).


1b, Sketch the line segment and extrude the sheet metal plate

  • File > New > Part (Enter ID and archive information and create a new project or select an existing project).
  • New Sketch > To vertical (XZ) plane.


Sketch the shape


  • Function: Two-point Line.
  • First, select a point.
  • Then enter the dimensions 300. (and enter the formula: LENGTH).
  • For later modeling steps, it might be a good idea to:
    • Add the coincidence constraint between the line and the center cross.
    • Add the symmetry constraint between the ends of the line and the center mark.
  • (from sketch to operation selection).





1a, Operation

  • Boss > Extrude
    • Lenght: 2.
    • Formula: e.g. THICKN

1b, Operation

  • Thin feature.
    • Lenght: 200 and Formula: e.g. LENGTH
    • Sheet Thickness: 2 and Formula: e.g. THICKN
    • If needed, select in both directions if the part is becoming symmetrical and a feature made on the one flange is to be copied to the other side.
    • Select a side (1st Side or 2nd Side) if you want to affect which side of the sketch line the material is added to.





1a, Convert the type of part to sheet metal part

  • Right-click function: Properties. (When nothing is selected).
  • Change the type: Sheet Metal.
  • Answer yes to the question "Is extrusion lenght used as sheet thickness?."
    • This is suitable in this case because the extrusion is made to the thickness of the sheet metal.
    • If you answered "No", then you can click the face on which the thickness is analyzed, or you can enter the sheet metal a thickness.


The part type is now Sheet Metal.




1a and 1b, Sheet metal part properties

The properties of the sheet metal affect the dimensions in the flattened representation (that is, the dimensions of the metal sheet) and can be used to determine the default value for the bending radius.

  • The Thickness value determines the thickness of the sheet metal.
  • The Bend radius value sets the default inner radius of future bends (does not affect the radius of bends already in the part).
  • Select the Stretch calculation method. You can select either the tables describing the bending machine and the raw material behavior (e.g. BendTable.AL) or the calculation formulas defining the stretch (eg DIN6935).




Below you can find examples of parts for which the above starting methods are suitable

  • On the left, a part that is easier to sketch as a part that is extruded and then converted into a sheet metal.
  • On the right, a part that is easier to sketch into a edge of sheet metal and to extruding right away to sheet metal part.




Hexagonal housing

  • Modeling begins by sketching the hexagonal shape to a plane (here the Horizontal (XY) plane).

  • Operation: Boss > Extrude.
  • The properties of the part have been converted into sheet metal after extrusion.
    • If this is not done, then after selecting the edged lines, the Add Flange function will not be found in the Right-click menu.

  • Click the edges of the top face of the part. (Remember the
    )
  • Right-click function: Add Flange.
    • More on this in Exercise 2.

Download the hexagon housing model (VX_SMD1.vxz) above here.

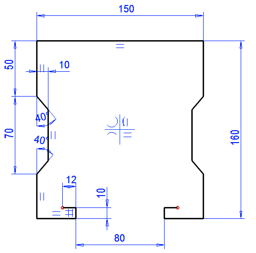
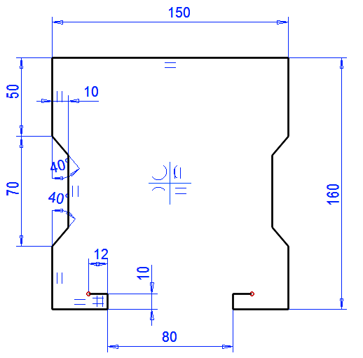
Protective housing

  • Modeling begins by sketching the shape to a plane (here the Horizontal (XY) plane).

  • Operation: Boss > Thin feature. (Enter the parameters as described above).
    • It is a good idea to define the bending radius, when sheet metal extrusion done.
    • Of course, the bending radius can also be given as its own function after extrusion.

Download the housing model (VX_SMD2.vxz) here.




Video

Duration 2m 21s

For the best quality for your video, watch it:

  • In full screen mode.
  • With a resolution of 1080pHD.




JavaScript errors detected

Please note, these errors can depend on your browser setup.

If this problem persists, please contact our support.