Skip to main content
Skip table of contents

7. Eye Screw

Exercise 7: Eye Screw

Version compatibility

This exercise was carried out with version 27.0 (Vertex 2021).

Table of Contents




In this exercise you will learn to

  • Create a part using a guide curve and cross section.
  • Add a thread mark that appears in the drawing as a dimensioned thread and in the model as a visual image.
  • Add a chamfer to the edge.

Functions to be used:

  • We review sketching tools.
  • Operation: Guode curve and Cross Section.
  • Sweep > Boss.
  • Thread symbol.
  • Bevel.
  • Item Data.
  • Drawing > New Drawing.




Create a new part

  • File > New > Part.
    • Enter the label (which is also the name of the model and by default will be the name of the drawing).
    • Enter the archive information by clicking Arc.Data.
    • Select the project for the model.
    • OK.




Create the first feature

  • New Sketch > To vertical (XZ) plane

Sketch the shape

  • Use the Smart (Smart line chain) function, for example.
    • Start sketching from the origo so that the cursor also catches the vertical line in the center cross.
  • Add a coincident constraint between the vertical line and the center point of the lower arc.
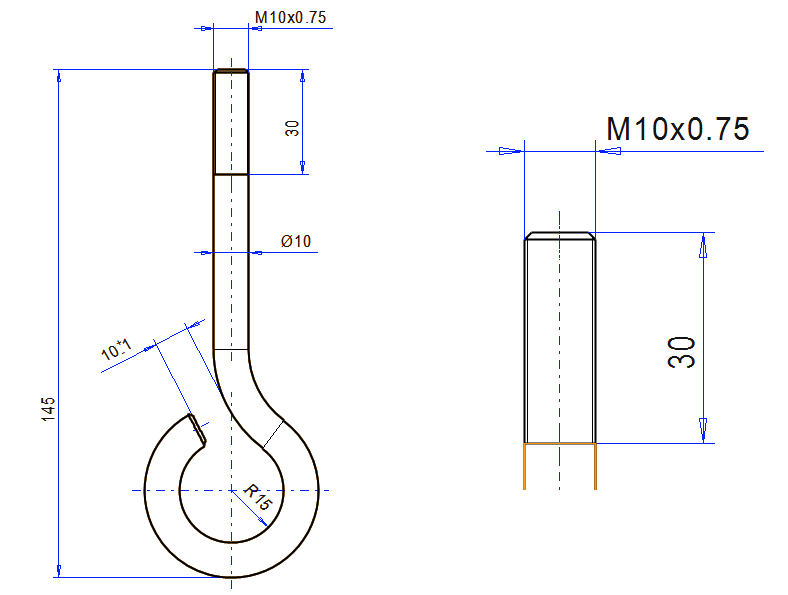
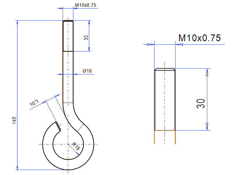
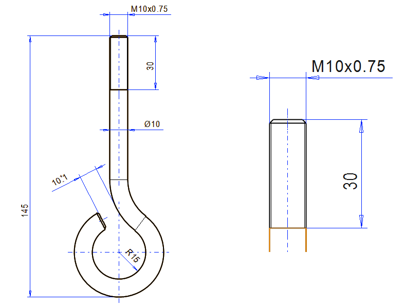
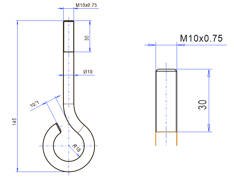
  • Dimension according to the figure.
    • Dimension 15 is defined between the upper arc and the end point of lower arc.
    • If the addition of dimension (15) does not seem to be successful, first drag the end of the arc to a suitable distance.
  • (from sketch to operation selection).

Operation

  • Guode Curve.


If the geometry is not visible after the operation

You can display the auxiliary geometry (guide lines, auxiliary planes and cross sections) with the G key or the Show Reference Geometry function of the Tool Strip:




Create the cross section

  • Select a line (e.g. a straight line).
  • Right-click function: New Sketch.
    • The program opens a dialog that allows you to adjust the position of the sketch.
    • Accept the default (Relative position and value 0.5) so that the sketch plane will be in the middle of the line.

Sketch the shape

  • The function: Circle. (Circle with Center and Radii Point).
  • Place the center point at the origo of the sketch.
  • Add a Diameter constraint: 10.

Operation

  • Cross Section.


Placement of the sketch on the line

See the sketch placement on the line for more details:

  • Sketching course - in modeling of part
  • 9. Seal.
  • Paragraph: Create a sketch for the guide curve.




Create a part of the cross section and control curve

  • Select line.
  • Select cross section (Remember the Ctrl key).Right-click function:
  • Right-click function: Sweep > Boss.
  • Accept the sweep dialog defaults (no trimming).




Add a Thread Symbol

  • Click to the cylindrical surface on which you want to add a Thread Symbol.
  • Click to the line where the thread symbol begins.
    • The Thread feature dialog opens.
    • Default thread standard ISO, SFS44498 (mm threads).
    • The program can suggest an Outer thread for the pin and an inner thread for the hole as the Type.
    • The dialog tells you the diameter and length of the cylinder surface.
  • Select Diameter: M10.
  • Enter Depth: 30.
  • Select Pitch: 0.75.
  • OK.


Thread Symbol and and real 3D thread

The thread mark feature appears in the drawing where the thread can be dimensioned, but it does not make a real thread to the model to ensure fast program operation in assembly with many threaded parts.

  • Real threads must be modeled separately using a spiral and a thread-forming cross section.




Add bevels

  • Select a line at both ends of the part (Remember the Ctrl key).
  • Right-click function: Add Round/Bevel > Single Edge Bevel.
  • Enter the bevel length dimensions: 1 and 1.
  • OK.




Give item data to the part

  • Right-click function: Item Data.
  • Press: Get Item.
    • Press the preselection button in the Main Group field.
    • Select: Steel
    • Select: Bars 
    • Select: Hot Rolled Round bar
    • OK.
    • Select: RB010 or some other suitable item (by double click).
  • Also fill in part information, e.g. weight.
    • Press: Calculate.
  • OK.




Create a drawing for the part

  • See more detailed instructions for the exercise: 5. Drawing of the model.
    • Drawing > New Drawing (In the feature tree).

A couple of notes about the drawing:

  • In order to dimension the tolerated dimension 10 + -1, a guide line must be drawn at between the ends of the chamfers.
  • Because a line is projected on the drawing that is not a valid other part to the dimension.


  • The M10x0.75 dimension is obtained when the line at the end of the helical feature is clicked in the dimensioning.
  • diameter 10 dimension is obtained when a cylinder is clicked.




Save the drawing

  • File > Save or click
    or press





Save the model

  • File > Save or click
    or press








JavaScript errors detected

Please note, these errors can depend on your browser setup.

If this problem persists, please contact our support.