Vertex G4PI Overview
Welcome to a Vertex G4PI software documentation! On these pages, you´ll find information on software features, available license options as well as instructions for installation.
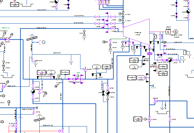
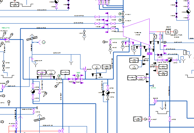
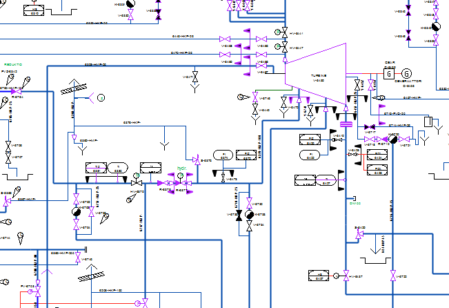
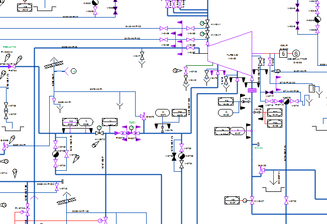
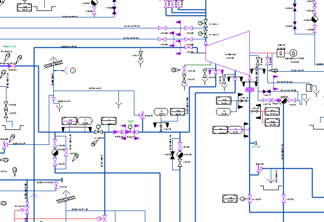
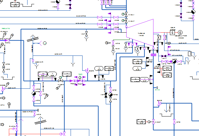
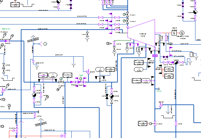
Vertex G4PI is a comprehensive software solution for process design. It includes a wide range of functions for piping and instrumentation diagram design.

Vertex G4PI - Piping & Instrumentation Diagram Software
Vertex G4PI is a 3D CAD (Computer Aided Design) software made in Finland. You can design processes and manage diagram data of each project with the software. You can easily manage the process data of the diagrams with different techniques as well as export the existing data to other formats. The software also includes a document archive database for a basic project document management.
Vertex G4PI contains several special functions in the following areas:
- Diagram lines, signal lines
- Diagram symbols
- Positions of pipelines, equipment, and instruments
- Project-specific process data management
- Condition tables, tables of equipment data
- Modifying the diagram data and updating the existing diagrams
- Project-specific or diagram-specific lists
- Use diagrams from other CAD systems

User Interface
The software usage is based on commands, which you select by using mouse and cursor. You can select the most of the commands also from the context-sensitive menu, which you can open by clicking the right mouse button while you are modeling or sketching. Some parts of user interface can also be modified for individual needs.
Archives and Global Data Management
G4PI uses Vertex archive databases to manage the design data. There are specific archives for models, drawings and projects. You can easily find all models and drawings of the projects with help of archives. You can open the CAD documents from the archives with different search tools and options. By default G4Plant software uses Vertex databases to archive Vertex documents. Vertex G4Plant can also be integrated with Vertex Flow PDM/PLM software for more general data management and for decentralized design process across organizational and geographical boundaries.



Export and Import Projects from One System to Another
You can archive the existing documents or projects as transfer packages, which contain the documents and their archive data. You can transfer the project from one Vertex software to another with these transfer packages. You can take the specific project with you to an on-site visit and modify the model with your local Vertex G4Plant installation. Later you can import the modified data back to your server environment.
Basic Tools to Draw Process Diagrams
Design the diagram by using the diagram and signal lines with the diagram symbols according to the standards PSK 3601 and PSK 3605. You can also sketch your own equipment and instruments and convert them to the diagram symbols and define the process data to them. You can use all basic 2D drawing tools to modify your diagram. You can freely select layers, colors, line widths and line types of your drawn lines and symbols either beforehand or afterward. You can import the diagram from another CAD-system to G4PI, for example, DWG drawing. You can insert the process data to pipelines and symbols afterward to these converted drawings.


Define Positions and Process Data
You can define positions and process data to diagram elements by double-clicking them. The process data you have defined is stored to project-specific databases for each element type like pipes, equipment, instruments, devices and so on. You can view and list your process data afterward. These project-specific databases collect all process data which you define to your diagrams in that project and you can export all data directly from the database views without opening the actual diagrams one by one. You can export the data to Excel templates, for example.



View and Modify Process Data
You can easily modify the diagram data by double-clicking a single element from the diagram. The other option to modify the data is to open the project-specific database view. You can also export the data from the database to Excel, modify it in Excel and then import the modified data back to the database. The program updates the diagrams and its texts and tables automatically after you have saved your changes. You can create pipeline, equipment, instrument and device lists from the whole project's diagram data.
Take Benefit of Special Functions
You can take benefit of existings process data with several special functions. You can insert tables and texts to your diagrams which automatically updates according to the diagram data in the databases. You can copy existing data from one element to another and you can define the data which one element heritages from another element. For example, the changes in the pipeline will be transferred to all connected equipment automatically. You have a possibility to search positions from the diagram, to adjust the form of position texts of each project individually, to create your own diagram symbols and so on. You can replicate your diagrams to another project with new drawing numbers and then export the process data from the diagram drawings to the database of your new project with special tools.
Pressure Drop Calculation
Examine pressure drops of your pipelines in the diagram by using the chosen flow rate. You can define initial data like the surface roughness of the pipes and minor loss coefficient of each component.


The Link between PI Diagram and 3D Model
You can pick the process data (DN size, pipe class, material, and design values) directly from the PI diagrams or PI databases to your 3D model while you are routing your pipelines. You need to design your diagrams with Vertex G4PI and you need to design your pipelines with Vertex G4Plant to make this happen.
Part lists and Reports
The program has special tools to create summary lists from the process data. Collect all data or filter only the needed data before creating the list. These lists can be exported in Finnish or English.

Supported File Formats
Vertex G4PI has a support to many different 2D file formats.
You can import the following file formats to Vertex G4PI:
DWG files (*.dwg)
DXF files (*.dxf)
Binary DXF files (*.dxb)
Design Web Format (*.dwf)
GIF files (*.gif)
PNG files (*.png)
RAR files (*.rar)
ZIP files (*.zip)
Vertex Transfer Files (*.vxz)
Vertex Red Pen files (*.vxr)
HPGL files (*.hpgl, *.hgl)
TIFF filest (*.tif, *.tiff)
JPEG files (*.jpg, *.jpeg)
BMP files (*.bmp)
You can export the following file formats to Vertex G4PI:
2D
Adobe Acrobat files (*.pdf)
AutoCAD files (*.dwg)
DXF filest (*.dxf)
Binary DXF files (*.dxb)
Scalable Vector Graphics (*.svg)
Design Web Format (*.dwf)
Binary Design Web Format (*.dwf)
Compressed Design Web Format (*.dwf)
HPGL files (*.hpgl, *.hgl)
TIFF files (*.tif, *.tiff)
JPEG files (*.jpg, *.jpeg)
BMP files (*.bmp)
GIF files (*.gif)
PNG files (*.png)