Flow and G4Plant/G4PI 2021
Flow Usage
Faster search for item code from Flow for PI device card
If the P&ID device card does not have pre-filled DN information, the program will now retrieve the item code from Flow faster than before. Now the selection of item codes from Flow also takes place for the device cards of the PI diagrams in the browser. The Search button next to the code field now also searches for basic Flow items. If the item code is selected from pipe components, then the selection is made with the pipe component item browser. If the item code is selected from other components, then the selection is made with a generic item browser.
If the item code is already selected on the device card and the button next to the code field is pressed, the item information is viewed in an Internet browser. (PLANT-3346)
Option for Flow-pdf background converter to create colored PI schemas
If you want the Flow background converter to create PDF files of P&ID drawings coloured and other drawings black and white, this can now be set in the backgroung converter setup file PDMsetup.txt. (PLANT-3720)

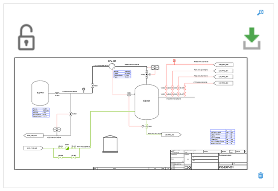
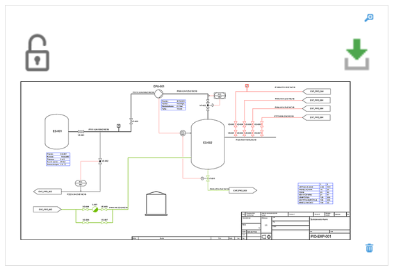
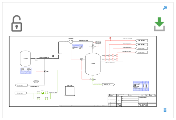
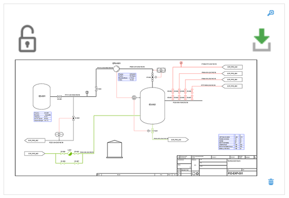
Document archive data visible while viewing documents
If a model or drawing is read from Flow for viewing, you are able to view the archive information but cannot modify this data. The information is also displayed on the G4 view program.(PLANT-3705)

